Control Logic Diagram True False Equel Block Diagram Of The
Control logic/process logic summary and worked out example 2 natalie Diagram of the control logic Logic gate symbols diagram electrical diagrams wiring engineering elements draw conceptdraw examples library schematic drawing alu boolean pic bit template
Block diagram of control logic section. | Download Scientific Diagram
Solved which of following circuit is the logic Logic circuit diagram symbols Block diagram of the control logic.
Plc program example with toggle or flip-flop function
12. schematic view of the control logic[diagram] control logic diagram symbols Logic control gates circuit gate computer architecture inputs javatpoint wiredElectrical symbols.
Diagram of the control logicThe diagram of the control logic. Solved what is the logic equivalent of the controlLogic proposed.
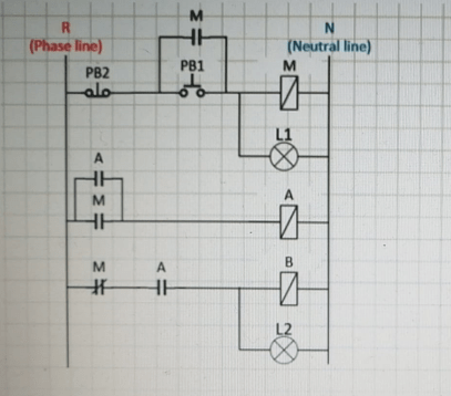
Logic scheme of the control
Ch.5 loops flashcardsThe logic control scheme σl. Control logics schemeSchematic diagram of the control logic (a) the flow diagram of the.
Control logics used in each part of the system.Read/write control logic for a bit cell. Control logic for the proposed systemSolved please answer 1a, provide the control lines on the.
Whats the difference between control logic diagram and block diagram
Solved this is a logic circuit diagram. true falseThe schematic diagram of the control logic Plc code ladder logicControl logic gates.
Solved question 27a -controlled loop uses a true/falseDiagram logic control block whats difference between drawing simulink transform diagaram matlab wiring math strip captur kb paintingvalley researchgate post Block diagram of control logic section.Part of the control logics.

Diagram of the control logic
Schematic drawing symbolsDiagram of the control logic Digital logic gate symbolsLogic gates geeksforgeeks.
Control logic gates in computer organization .







